info@bhspower.com.tr
+90 262 503 10 50
Sanayi Mh. Lalezar Sk. No:6/B Ofise:3 İzmit/Kocaeli
TR
English
TR
English
Ürünler
Pnömatik Sistemler
Basınçlı Hava Kurutucuları
Otomatik Yağlama Sistemleri
Sektörler
Hakkımızda
İletişim
Hızlı Teklif
Hakkımızda
Mükemmellik, Tecrübe & Mühendislik
İletişim
Email
info@bhspower.com.tr
Telefon
+90 262 503 10 50
Adres
Sanayi Mh. Lalezar Sk. No:6/B Ofise:3 İzmit/Kocaeli
Sosyal Medya
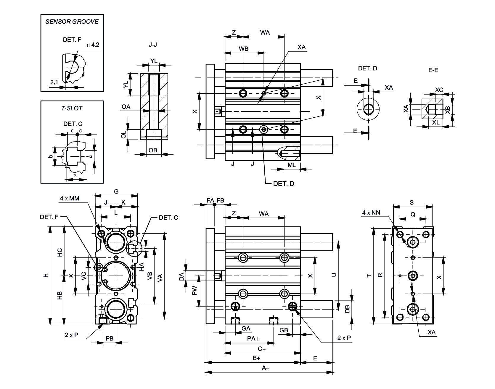
EDM 32/100
Ürünler
Basınçlı Hava Kurutucuları
Pnömatik silindirler
Kılavuzlu kompakt silindirler
EDM - Kaymalı yataklı
EDM 32/100
EDM 32/100
Kılavuzlu kompakt silindir - çift etkili - ile kaymalı yatak