EDMD 20/50

EDMD 20/50

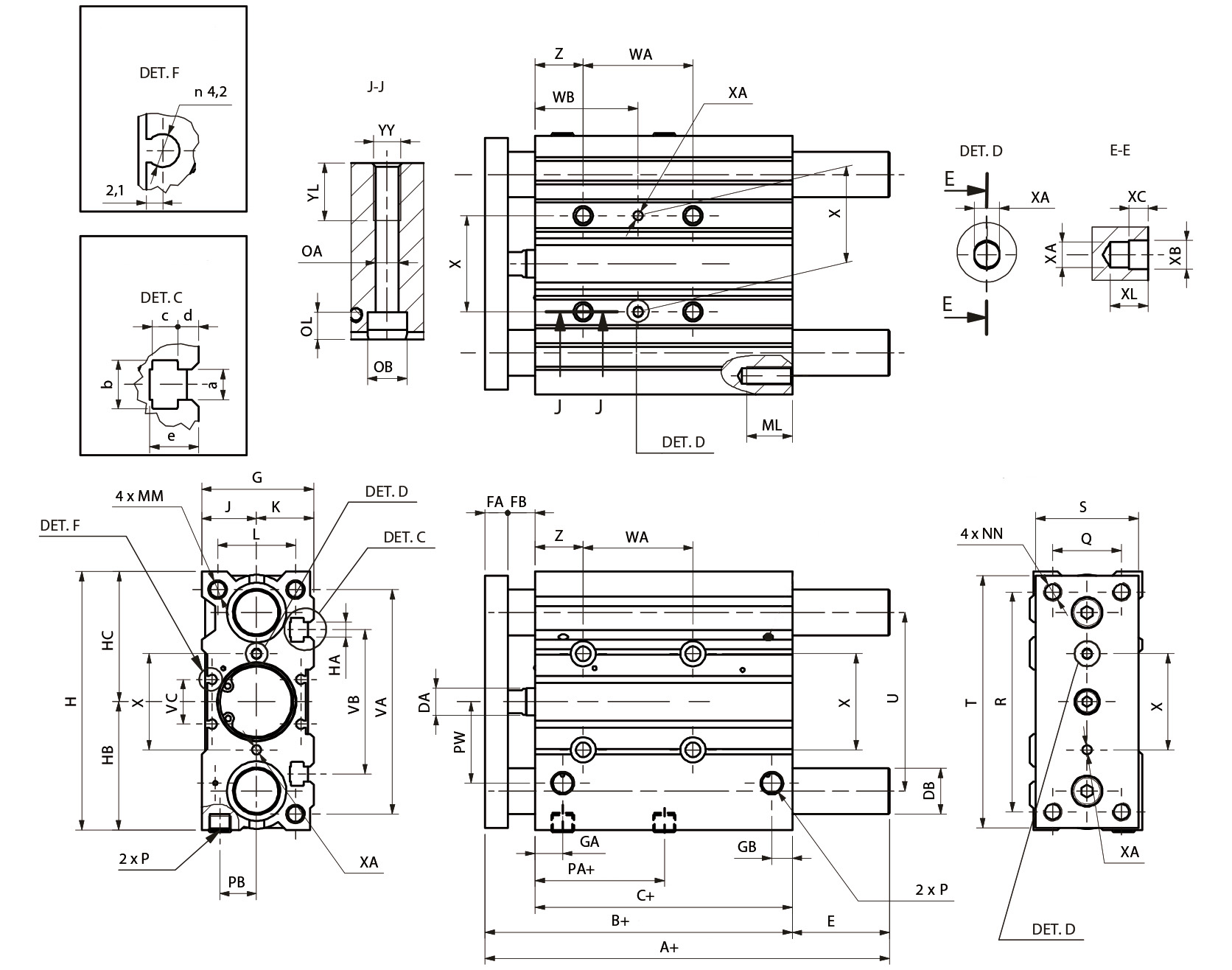
Kılavuzlu kompakt silindir - çift etkili - ile kaymalı yatak - ayarlanabilir yastıklama