EDMD 20/75

EDMD 20/75

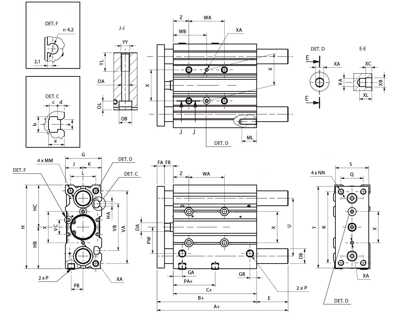
Kılavuzlu kompakt silindir - çift etkili - ile kaymalı yatak - ayarlanabilir yastıklama