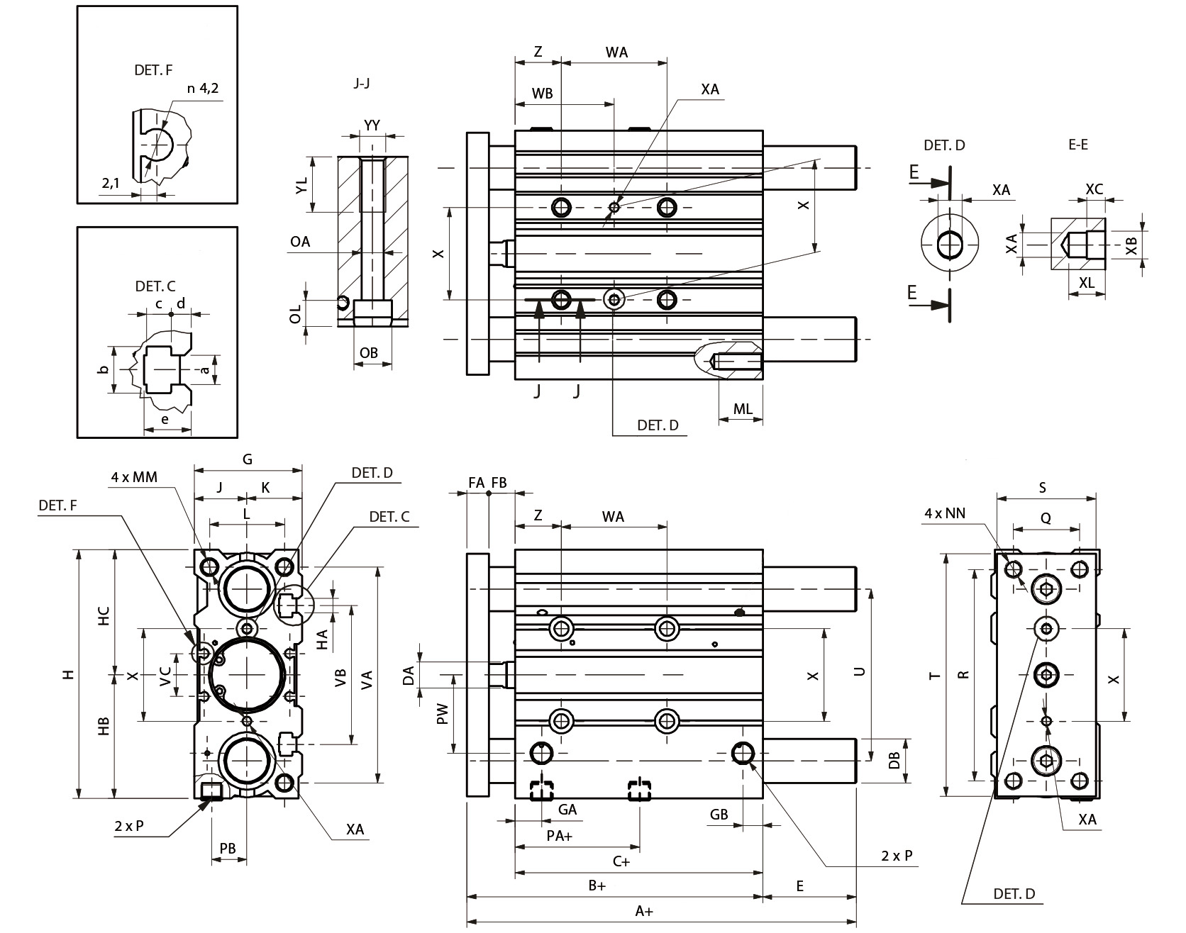
EDMD 32/150

EDMD 32/150

Kılavuzlu kompakt silindir - çift etkili - ile kaymalı yatak - ayarlanabilir yastıklama