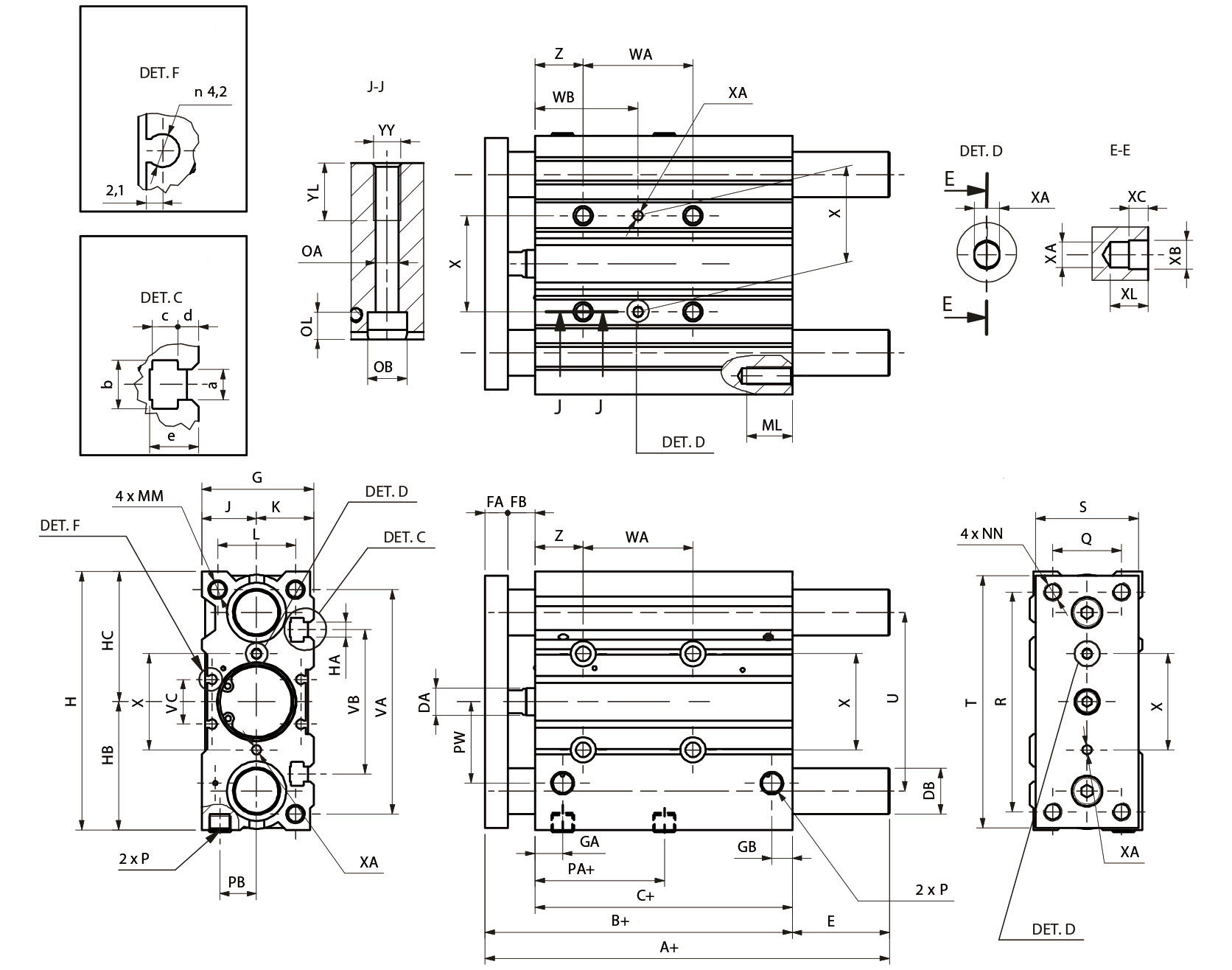
EDMD 50/175

EDMD 50/175

Kılavuzlu kompakt silindir - çift etkili - ile kaymalı yatak - ayarlanabilir yastıklama