EDMD 50/75

EDMD 50/75

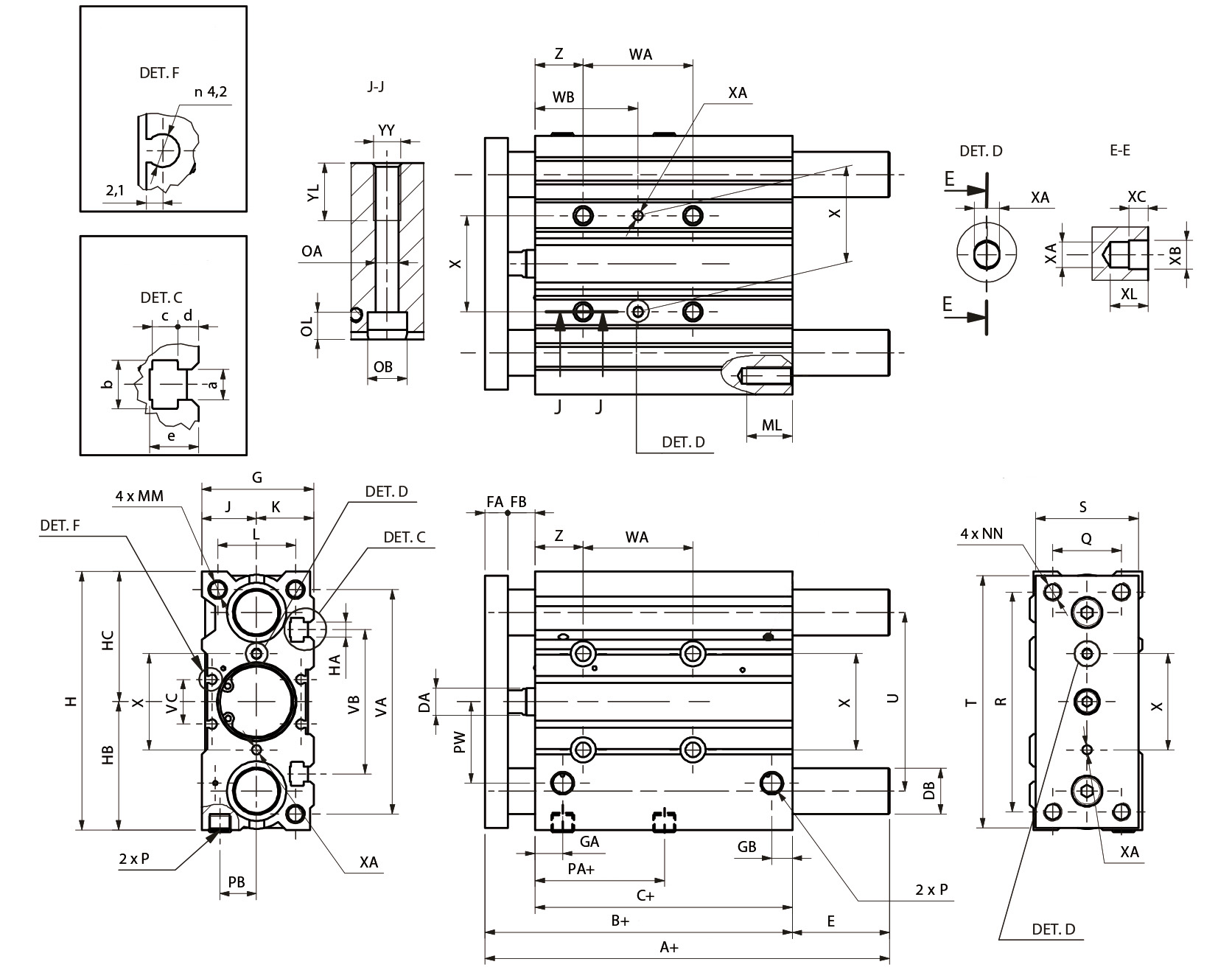
Kılavuzlu kompakt silindir - çift etkili - ile kaymalı yatak - ayarlanabilir yastıklama