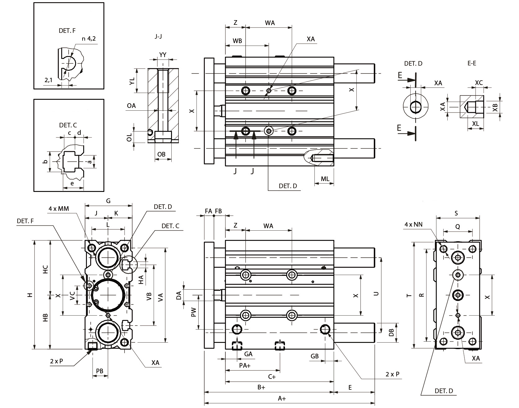
EDMDG 25/150

EDMDG 25/150

Kılavuzlu kompakt silindir - çift etkili - ile bilyalı yatak - ayarlanabilir yastıklama