Mükemmellik, Tecrübe & Mühendislik
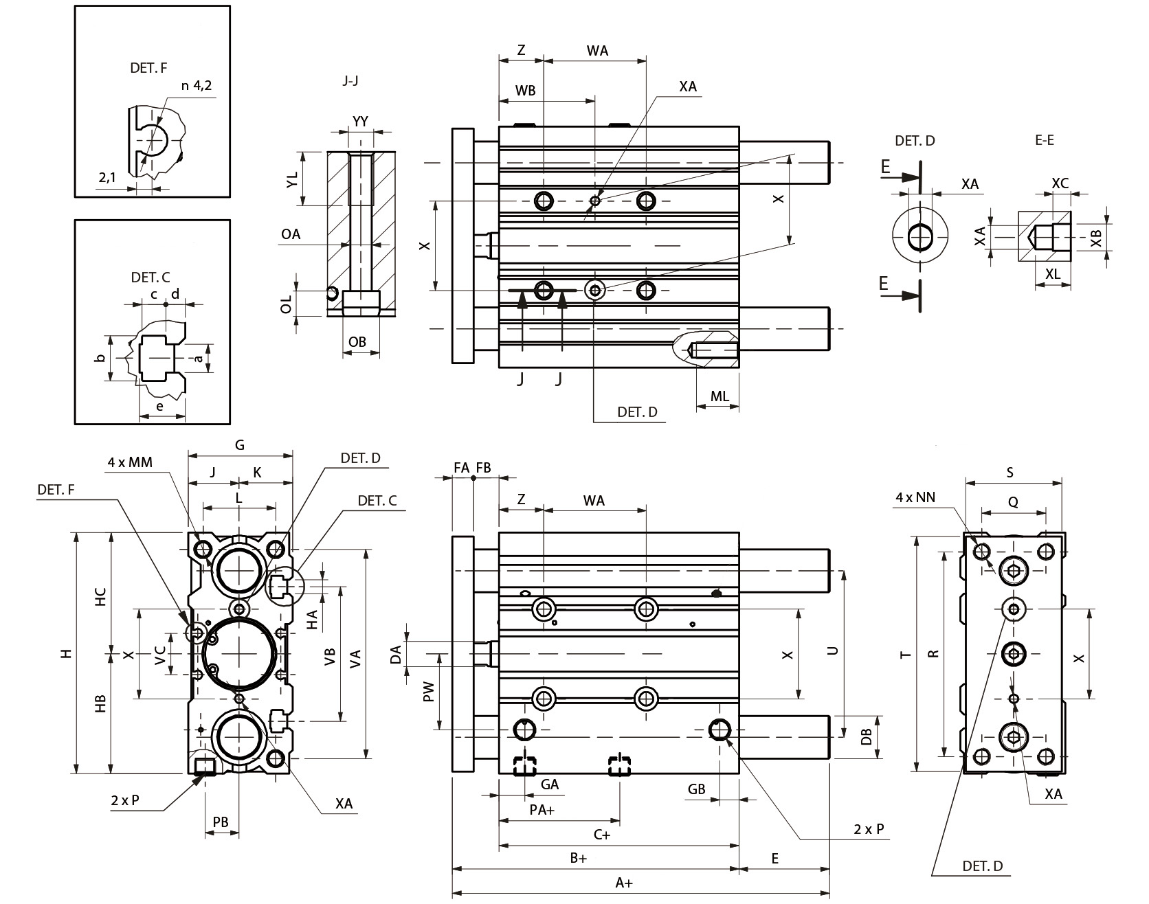
Kılavuzlu kompakt silindir - çift etkili - ile bilyalı yatak - ayarlanabilir yastıklama