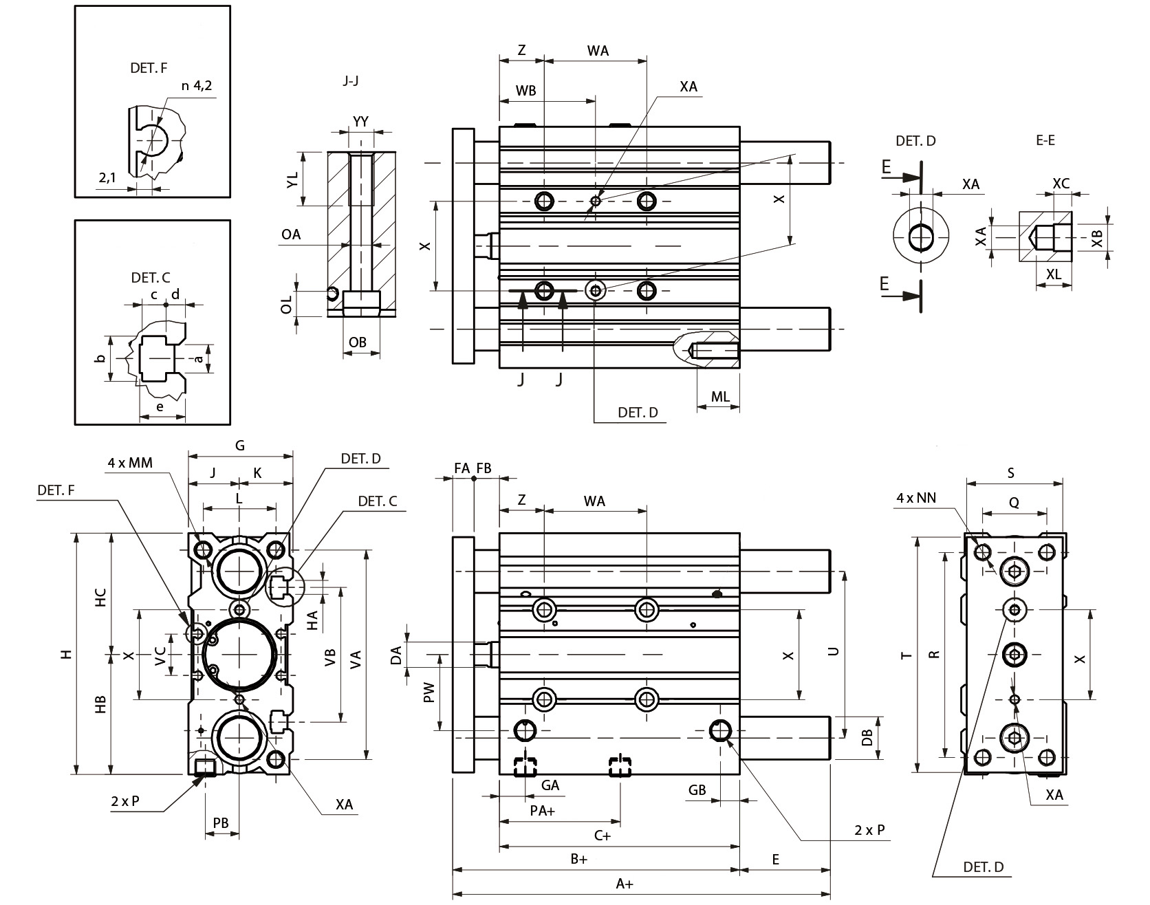
EDMDG 40/75

EDMDG 40/75

Kılavuzlu kompakt silindir - çift etkili - ile bilyalı yatak - ayarlanabilir yastıklama