EDMDG 50/50

EDMDG 50/50

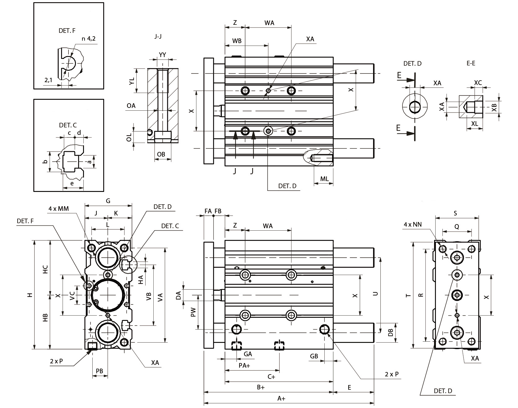
Kılavuzlu kompakt silindir - çift etkili - ile bilyalı yatak - ayarlanabilir yastıklama