EDMDG 63/100

EDMDG 63/100

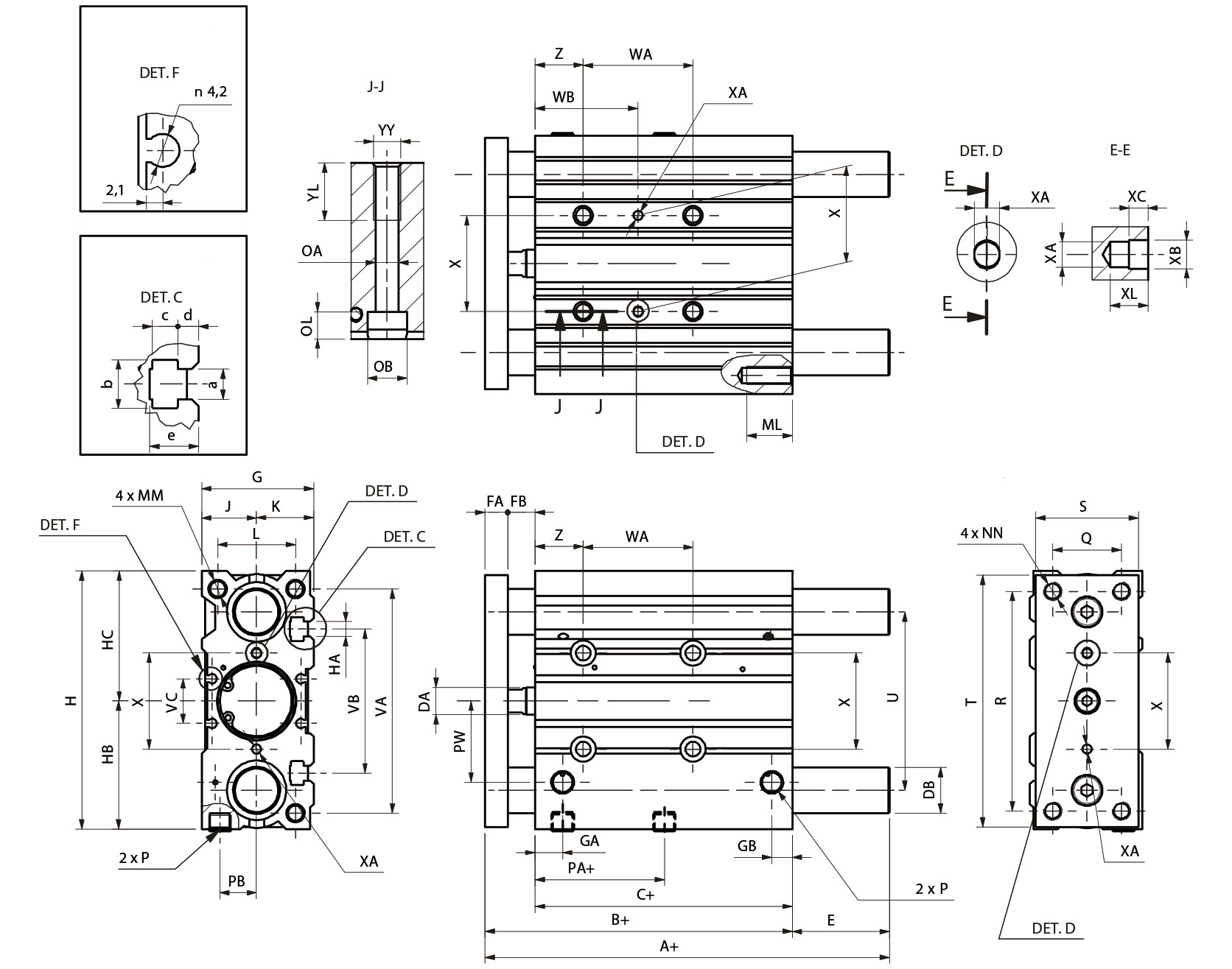
Kılavuzlu kompakt silindir - çift etkili - ile bilyalı yatak - ayarlanabilir yastıklama